目前使用的各种电梯普遍采用三相交流电源,通过三相异步电动机驱动电梯运行;要使电梯安全运行,就必须保证电动机三相绕组电流相序的可靠性。GB/T 10058—2009《电梯技术条件》中规定:“电梯应具备供电系统断相、错相保护装置或保护功能。电梯运行与断错相无关时,可不设置错相保护装置。”电梯设置断错相保护既可防止电机因断相而致使力矩不足,又可避免电机因错相而引发上下运行方向错乱,有效确保电梯的正常安全运行。断错相保护是电梯检验中重要的一环。
1 断错相保护的必要性
一是断相保护。所有类型的电梯都应具备断相保护功能。当正常运行中的电动机发生断相时,电动机定子转子的电流会突然增大,造成电动机温升加剧,严重时甚至烧毁电机。断相是电动机常见故障之一,例如接触器触点烧损造成一相接触不良、安装维护造成一相断线、三相电源的熔断器一相熔断等,都会造成三相电动机断相运行。如果发现不及时,后果是极其严重的。
二是错相保护。电梯运行与相序无关时(如变频变压调速电梯),可不设置错相保护装置,因此错相保护主要针对交流单速、交流双速、交流调压调速电梯。一般情况下,电动机工作的接线顺序是有规定的,虽然现在许多新的电梯大多采用变频驱动的方式,但在稍早的电梯中,甚至现在的部分新电梯中,还有采用双速等方式。在这些情况下,如果因为某种原因导致电源的相序不对,那么原本上行的电梯就会变成下行,原本向下的就会变成上行,很容易发生冲顶、墩底甚至更严重的事故;而错相也是有可能发生的,例如当外部电源维修后,主变压器出线端电缆被反接等,这种错误对于终端用户在用电之前是无法预知的。因此在电梯中设置错相保护就显得十分必要,可以有效防止相应的故障对设备的损坏。
2 断错相保护装置的分类
电梯断错相保护装置按执行方式的不同,可分为有触点保护装置和无触点保护装置;按检测方式的不同可分为检测电压控制通断保护器和检测电流控制通断保护器。本文从执行方式的角度加以论述。
2.1 有触点断错相保护装置
有触点断错相保护装置是采用电磁继电器或交流接触器作为其执行装置,利用这些器件可见的机械触点来分断电源与负载的连接。
电梯用有触点断错相保护装置主要有两种方式:一种是控制柜中安装相序继电器,通过相序继电器辅助触点的吸合控制主接触器的通断;另一种是利用变频器的电压电流检测电路,检测信号传送至MCU 后级电路,从而控制主接触器的通断。
2.1.1 相序继电器
相序继电器种类多样,原理却大同小异。采样三相电源的电压或电流并进行处理,继电器内部预先设定好逻辑,当电源相序正确时,符合继电器接通条件,设备控制回路、主回路相继接通;当电源出现断相或错相时,不符合继电器接通条件,继电器闭锁,控制回路、主回路切断。
以XJ3-G型相序继电器为例,它是由运算放大器构成的一个相序比较器。图1是其电气原理图,HA17358是运放器,J1是中间继电器。R1、R2、R3、R4及C1、C2构成了移相回路,纯电阻下,A、B、C三相电流相序依次相差120°,加上电容后,所在相的电流将超前原相位90°;经移相合成后的Ia′b 流入整流桥,整流桥输入电流等于输出电流。

图1 XJ3-G型相序继电器原理图
当A、B、C 正序时,作电流向量图(图2 中的Ia′b)可知,整流桥输出电流最小,经电阻压降后输出到HA17358的6端的电平也最小,HA17358的5、6、7端子构成比较器(5﹢、6-为输入端,7为输出端),此时7端输出为高电平,三极管9014导通,继电器J1吸合,回路接通;当A、B、C 任意两相错相时,作错相后的电流向量图(如图2中的Ia′c)可知,其整流桥输出的电流均比正序时大,6端的电平比5端高,使得7端输出低电平,三极管9014截止,继电器J1释放,回路断开;当A、B、C 任何一相断相时,另两相电流急剧增大,整流输出的电流增大,同样导致继电器J1释放。因此,该类型继电器可实现断错相保护。

图2 整流桥输入电流向量图
图1 中可见XJ3-G 型相序继电器的接线端子:1、2、3接线端分别接A、B、C 三相电源;7、8是中间继电器K的常开触点,串接在电动机的控制回路中。相序正确,继电器K吸合,7、8常开变常闭,控制回路接通,继而主回路接通;断相或错相,继电器K失电,7、8断开,回路不通。
2.1.2 变频器断错相保护
变频变压调速电梯,其三相工频电源经整流器后变成直流电源,直流电源再经逆变器变换为所需频率的交流电流。整流后的相序与输入相序无关,电动机旋转方向的改变是依靠逆变器参数的改变而实现的,因而交流供电系统相序的改变不会影响电梯运行方向,所以变频调速的电梯一般只设断相保护,可不设错相保护。
随着电子技术的发展,变频器的控制电路已逐步完善。电机的断相保护除了设置传统的相序继电器外,还可以通过变频器电流电压检测回路来实现。电压检测电路,是变频器内部控制回路的一种,目的是保障IGBT逆变电路的电源电压工作在一特定安全范围内。电源缺相后,变成了两相电源,两相电源整流后的直流电压只有三相电源时的66%,MCU检测到欠电压信号后实施故障报警、停机保护措施,因而变频器即使不设专门的缺相保护也可检测出故障。
但为了用户能直观判断故障原因,许多变频器对电压检测回路进行了补充,增加了对三相输入电压的断相检测(少数机型还有三相输出电压检测),即电源缺相保护。
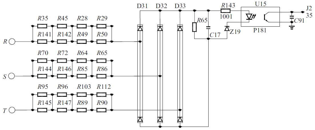
图3是一种三相输入电源电压检测电路,R、S、T 三相电源电压先经电阻降压、限流,再经桥式整流电路变成直流脉波送入到光耦合器,当光耦输入侧电压足够大时,便能驱动光耦动作,光耦输出侧产生信号,J2的35脚为低电平。三相电源正常时,光耦输出侧产生300 Hz六脉波的电压信号,此时J2的35脚一直为低电平;三相电源缺相时,光耦输出侧产生200 Hz四脉波的电压信号,此时J2的35脚偶尔出现高电平,该信号经后级电路处理送入MCU,MCU 判断缺相故障,切断电源并报警。

图3 三相输入电源电压检测电路
2.2 无触点断错相保护装置
无触点断错相保护是采用固体继电器作为其执行装置,利用电子元器件(晶闸管、IGBT、高压VMOS管)的开关特性来分断错误电源。固体继电器是一种由全电子电路组成的新型元器件,它的控制端与负载端通过耦合器等隔离件隔离,能实现无触点接通和断开电路;它与传统的电磁继电器相比,具有无火花、无机械接触的特点(即用半导体功率开关替代传统电器中的机械触点),但与传统继电器本质上有相同的功能。
固体继电器因其无触点、开关速度快、电磁兼容性好、可靠性高、寿命长、干扰小、耐冲压等优点而广泛应用于调温、电机控制、数控机械,遥控系统、工业自动化装置等领域;但因其目前切换负载的能力还做不到传统继电器、接触器那样大,还未在电梯行业普及。待无触点开关、固体继电器、电子集成电路等新型器件突破技术难关,其在电梯领域的应用也将指日可待,或将成为一种发展趋势,而届时电梯无触点断错相保护装置的应用也将应运而生。
3 断错相保护检验方法
1)目测检查。
观察电梯调速类型,判断断错相保护器的类型,判断是否需要设置错相保护,必要时查找电气原理图。
对于传统相序继电器,应注意检查指示灯显示是否完好,检查继电器是否被短接。其中短接是断错相检验中最常见也最不可原谅的一种错误现象。断错相继电器被短接,将导致断错相保护失效,当电梯出现断错相时,故障检测失灵,极易引发电梯事故。
对于变频调速电梯,断相或错相(如有)试验后,观察是否有故障代码显示。
2)试验检测。
断相:断开电源主开关,在其输出端,分别断开三相交流电源的任意一根导线后,闭合主开关,观察电梯是否运行。如果电梯不能运行,说明断相保护功能有效;反之无效。
错相:断开电源主开关,在其输出端,调换三相交流电源的任意两根导线位置后,闭合主开关,观察电梯是否运行。如果电梯不能运行,说明断相保护功能有效;反之无效。
4 结束语
断错相保护关乎电梯的安全运行,在日常检验维修时应给予足够重视。了解断错相保护的类型和工作原理,是精准判断对错、快速分析故障的前提。成竹在胸方可游刃有余,方能确保安装、维修、检验等工作顺利进行。
上一篇:汽车电子技术的应用及发展趋势
本站部分图片和内容来源于网络,版权归原作者或原公司所有,如果您认为我们侵犯了您的版权请告知我们将立即删除 沪ICP备16023097号-11